In the treacherous environment of underground coal mines, safety is paramount. Yet, ensuring workers wear safety helmets consistently has been a persistent challenge, largely due to the harsh conditions that make reliable detection difficult. A breakthrough in this area has been achieved by researchers at the China University of Mining and Technology, led by Lei Sun from the Information Construction and Management Division. Their work, published in the IEEE Photonics Journal (translated from Chinese as 光子学杂志), introduces an advanced algorithm that promises to revolutionize safety monitoring in underground coal mines.
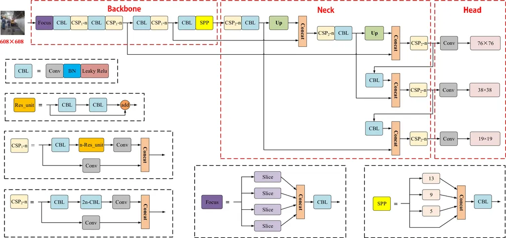
The YOLOv5s-CBCG algorithm, as it’s called, is a significant leap forward in object detection technology. Traditional methods have struggled with the complex and often chaotic environment of coal mines, where lighting is uneven, and targets are small and easily obscured. “The existing deep learning-based object detection methods face substantial difficulties in accurately and efficiently detecting safety helmets in such environments,” explains Sun. “Our goal was to address these limitations and enhance both the accuracy and robustness of detection systems.”
The YOLOv5s-CBCG algorithm achieves this by incorporating several innovative features. Firstly, it employs an enhanced feature extraction network named FEN-CA, which utilizes a coordinate attention mechanism to improve feature extraction for small objects and suppress background noise. Secondly, it introduces a new feature fusion network named FFE-BCG to enhance multi-scale feature fusion, thereby improving detection accuracy while reducing computational cost.
The results speak for themselves. When tested on the self-built M-Helmet dataset, the YOLOv5s-CBCG algorithm achieved a mean average precision (mAP) of 95.90%, outperforming other comparative methods. Notably, it showed a 4% improvement over the latest YOLOv11n algorithm and a 7.9% improvement over YOLOv12n. This level of accuracy, combined with reduced computational expense, makes it a highly efficient and reliable solution for safety monitoring in underground coal mines.
The commercial implications for the energy sector are substantial. Improved safety monitoring can lead to fewer accidents, reduced downtime, and increased productivity. “This technology has the potential to significantly enhance safety protocols in underground coal mines,” says Sun. “By ensuring that workers are consistently wearing safety helmets, we can mitigate risks and create a safer working environment.”
The research also opens up new avenues for future developments in the field of object detection. The success of the YOLOv5s-CBCG algorithm demonstrates the potential of advanced deep learning techniques in overcoming the challenges posed by complex environments. As technology continues to evolve, we can expect even more sophisticated solutions that will further enhance safety and efficiency in the energy sector.
In conclusion, the YOLOv5s-CBCG algorithm represents a significant advancement in the field of object detection, with far-reaching implications for the energy sector. Its ability to accurately and efficiently detect safety helmets in underground coal mines sets a new standard for safety monitoring, paving the way for a safer and more productive future.

